VNĐ: 862,000
– Đóng cắt tốc độ cao.
– Điều chỉnh điện áp.
– Mô-đun độ tự cảm thấp.
– Biến tần điều khiển động cơ.
– Bộ điều khiển AC và DC Servo.
– Máy công nghiệp, như máy hàn
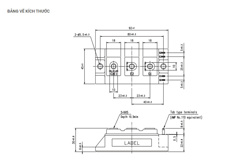
IGBT 2MBI300U2B-060-50 được Semitech nhập khẩu trực tiếp từ Fuji. Ngoài ra công ty Semitech cũng chuyên cũng cấp nhiều loại IGBT khác như IGBT 1MBI300SA-120B-52, IGBT 1MBI400U7A-120D-52, 2MBI150VA-120-50 | IGBT Fuji............



Bạn đang quan tâm